Pflaugis - Arcade
© Pflaugis - Arcade 2026 / Letztes Update: 09.05.2026

Die Welt der Arcade Games....

Pac Man, Asteroids, Galaxian, Galaga, Missile Command, Frogger, Phoenix, Battle Zone, Hang on, Outrun... ...schöne Erinnerungen an eine schöne Zeit...
Bally Wulff - Rototron Krone Bally Wulff - Rototron Krone
Fehleranalyse: - Verbogene Pins - kein Ton

Bally Wulff - Rototron Krone Restauration

Für kleines Geld hab ich einen Bally Wulff Rototron Krone als Restaurationsobjekt erstanden. Das Gerät ist mir sehr in Erinnerung geblieben, da ich es als Jungendlicher schon gespielt hatte. Schönes Gerät und ich glaub auch seltener. Zumindest hab ich den in letzter Zeit nicht mehr oft gesehen und denke eine Restauration wird sich rentieren. Zustand: Stecker rein, nix qualmte oder knallte. Schonmal gut. Lüfter drehte sich und die Beleuchtung ging teilweise. LED Anzeigen waren aus. Hier ein paar Bilder des Gerätes:
Kurzer Check und Test: LED´s am Netzteil leuchteten nur eine (24V), die andere LED (10V) war aus. Sicherungen waren die beiden äußeren defekt. Nach Tausch wurden diese sofort beim Einschalten wieder ausgelöst. Das hieß irgendwo ist was kurzschlüssig. An der Steuereinheit brannten nur 2 LED´s. Der Rest war dunkel. Dachte da fehlt es an Stromversorung.
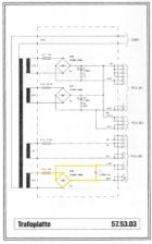
Wie ging ich vor: Zunächst zog ich am Netzteil mal die Stecker ab. Ersetzte die Sicherungen und geb Strom drauf. Fallen die Sicherungen, so hat die Trafoplatine schon ein Problem. Bleiben sie heile werde ich an anderen Komponenten suchen müssen. Möglicherweise ist da was kurzschlüssig. Ergebnis: Wenn die 3 oberen Kabel abgezogen waren, hielt die rechte Sicherung (4 Ampere). Beide LED´s leuchteten. Sobald das rechte Kabel eingesteckt wurde, fiel die Sicherung. Das Kabel geht hoch zur Steuereinheit. Dort ist dann der Fehler zu suchen. Die linke Sicherung (2 Ampere) fiel immer. Also auch wenn die oberen 3 Kabel abgezogen waren. Hier ist der Fehler wohl an der Trafoplatine zu suchen. Schließlich hatte ich dann das Netzteil ausgebaut. Laut Zeichnung sichert die 2 Ampere Sicherung auch den Kondensator und den Gleichrichter auf G3. Bei der Messung des Kondensators hatte ich gleich einen Volltreffer. Dieser war Kurzschlüssig. Also hatte ich die Platte entfernt und den Kondensator runter gelötet. Eine weitere Prüfung bestätigte den defekt. Nach dem Tausch des Kondensators lief der Trafo wieder einwandfrei.
Den dritten Stecker (rechts) konnte ich noch nicht einstecken, da noch ein defekt in der Steuereinheit vorlag. Da würde mir dann die rechte 4 Ampere Sicherung fallen. Auch in der Steuereinheit hatte ich den Fokus zuerst mal auf die Kondensatoren gelegt. Vielleicht ist das schon der Fehler weshalb sich die Sicherung verabschiedet. Auf den Bildern seht ihr die Steuereinheit und dann die einzelne Platine (Netzteil) der Steuereinheit. Auf der Platine sind 2 verschiedene Kondensatoren verbaut. Zum einen 5 x 16V 4700µF und 3 x 40V 2200µF. Tatsächlich waren drei davon kurzschlüssig und wurden getauscht. Zu beachten war, dass auf der Rückseite der Platine die Masse verbunden wurde, da die Bauweise der neuen Kondensatoren anders ist. Nach dem Tausch der Kondensatoren lief die Steuereinheit wieder und die Sicherung an der Trafoplatte hielt stand.
Nun ging es an die Batteirien die den Punkte und Münzstand speichern. Nach der langen Standzeit waren diese leer und mussten getauscht werden. Bei leerer Batterie zeigt der Automat den Fehler „00 A“ an. Also hatte ich die alten Batterien ausgelötet und neue Halterungen für 3V Knopfzellen eingebaut.
Nachdem alles zusammengebaut wurde funktionierte das Gerät wieder einwandfrei. Uns so hat auch der Rototron Krone seinen Platz in der Wohnung gefunden. Auf dem linken Bild ist nochmal die Ausbeute an defekten Teilen zu sehen.
Gerne dürft Ihr in unserem Forum an der Restauration / Reparatur teilhaben und mitdiskutieren. Zum Thread gehts hier. Eine Registrierung ist erforderlich.
Zurück zum Blog Zurück zum Blog